搜索


会员资源切换至【手机版】

切换本帖至【手机版】


开启左侧

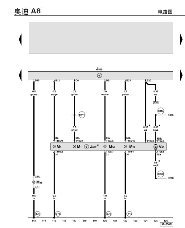
奥迪A8维修手册 AUDI.A8.workshop.manual 高精度PDF格式

[复制链接]
发表于 2021-7-29 00:25:55 | 显示全部楼层 |阅读模式

游客,本帖隐藏的内容需要积分高于 1 才可浏览,您当前积分为 0


资源信息:



中文名


: 奥迪A8维修手册


英文名


: AUDI.A8.workshop.manual


版本


: 高精度PDF格式


发行时间


: 2002年10月


地区


: 大陆


对白语言


: 普通话


概述


:



AUDI A8是德国大众公司的旗舰车型,2003年引入国内销售。 AUDI A8采用了大量的新技术及新的装配工艺,代表着当今汽车科技的最高峰。整车采用了以CAN BUS为核心的全新控制理念。 本手册为官方中文版维修手册,精度极高(PDF格式+矢量图形),是维修人员及汽车爱好者不可多得的详尽资料。











共享时间:08:00 - 18:00 共享条件:电信ADSL 2M带宽,平均50K 连接服务器:DONKEY SERVER NO1,NO2 经检测无毒 杀毒软件:瑞星杀毒软件 病毒库版本:19.10

主题推广




回复

使用道具 举报

您需要登录后才可以回帖 登录 | 立即注册

本版积分规则

切换至【手机版】| 主站| Archiver|

JS of wanmeiff.com and vcpic.com Please keep this copyright information, respect of, thank you!JS of wanmeiff.com and vcpic.com Please keep this copyright information, respect of, thank you!

|网站地图

GMT+8, 2026-3-23 17:46 , Processed in 0.508339 second(s), 124 queries .

 

快速回复 返回顶部 返回列表